Samopovršinski vijci umetnuti za metale i plastiku
Tehnologija pričvršćivanja iz FYS-a je u uspješnoj primjeni u širokom rasponu različitih industrijskih sektora širom svijeta. Proizvodni kapaciteti pružaju našim kupcima osiguranje kvalitetne i pouzdane isporuke, sofisticirana rješenja za pričvršćivanje za svako moguće područje primjene koje provodi naše vlastito istraživanje i razvoj. Bliska saradnja i razmjena iskustava i stručnosti na međunarodnoj razini osiguravaju da naša tvrtka ostane na samom rubu tehnološkog razvoja. Da biste osigurali tehnologiju pričvršćivanja. Samoljepivi vijci se mogu dobro koristiti u metalima i plastici.

Značajke:
1. Samonosni umetak ima veliku efektivnu reznu površinu, tako da osigurava veći stepen izvlačenja.
2. Samopovršinski umetak se naknadno odvodi u gotov radni komad. To znači veću izlaznu snagu mašine za livenje, bez odbacivanja usled pogrešno ugrađenih komponenata za umetanje, bez kalupljenog peska zarobljenog u navoju.
3. Predhodna ili prethodno izbušena zadržavajuća rupa sa normalnim zahtjevima tolerancije dovoljna je za vožnju u samopovršivačkom umetku. Navoj se uvijek precizno pozicionira.
4. Samonosni umetak je neosetljiv na mala područja skupljanja. Samonosivi umetak sprečava oštećenja usled poderanih navoja.
Tipične aplikacije:
1. Automotive
2. Izgradnja postrojenja i opreme
3. Industrija željezničkih isporuka
4. Elektrotehnička i laboratorijska tehnika
5. Kućanski aparat
6. Medicinsko inženjerstvo
Instalacioni materijali :
- Metali
- Lijevano željezo, mesing, bronza NF metali
- Plastika, laminati
- Tvrdo drvo
Materijal i završna obrada :
- Nerđajući čelik 303, pasiviran
- Čelik kaljenog čelika, pocinčan, žuto kromiran
Ostali materijali, dizajni i završne obrade na upit :
-Brass
- Čelik od kaljenog čelika, pocinčan, plavo pasiviran
- Čelik kaljen, cink / nikl, proziran pasiviran
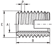
Tehnički parametri :
Dimenzije u mm
Metric Series | |||||||
Broj ugljeničnog čelika | Br. | Internal Thread | External Thread | Length | Smernice za primanje prečnika otvora | Minimalna dubina bušotine za slijepe rupe | |
Karbonski čelik 15 1215 | SUS303 | A | E | P | B | L | T |
302020002 | M2 | 4.5 | 0.5 | 6 | 4.2 do 4.3 | 8 | |
302025001 | 302025002 | M2.5 | 4.5 | 0.5 | 6 | 4.2 do 4.3 | 8 |
302030001 | 302030002 | M3 | 5 | 0.5 | 6 | 4.7 do 4.8 | 8 |
302035001 | 302035002 | M3.5 | 6 | 0.75 | 8 | 5.6 do 5.7 | 10 |
302040001 | 302040002 | M4 | 6.5 | 0.75 | 8 | 6.1 do 6.2 | 10 |
302050001 | 302050002 | M5 | 8 | 1 | 10 | 7.5 do 7.6 | 13 |
302060001 | 302060002 | M6 (a) | 9 | 1 | 12 | 8.5 do 8.6 | 15 |
302061001 | 302061002 | M6 | 10 | 1.5 | 14 | 9.2 do 9.4 | 17 |
302080001 | 302080002 | M8 | 12 | 1.5 | 15 | 11.2 do 11.4 | 18 |
302100001 | 302100002 | M10 | 14 | 1.5 | 18 | 13.2 do 13.4 | 22 |
302120001 | 302120002 | M12 | 16 | 1.5 | 22 | 15.2 do 15.4 | 26 |
302140001 | 302140002 | M14 | 18 | 1.5 | 24 | 17.2 do 17.4 | 28 |
302160001 | 302160002 | M16 | 20 | 1.5 | 22 | 19.2 do 19.4 | 26 |
302180001 | 302180002 | M18 | 22 | 1.5 | 24 | 21.2 do 21.4 | 29 |
302200001 | 302200002 | M20 | 26 | 1.5 | 27 | 25.2 do 25.4 | 32. \ t |
302200001 | 302200002 | M22 | 26 | 1.5 | 30 | 25.2 do 25.4 | 36. \ t |
302240001 | 302240002 | M24 | 30 | 1.5 | 30 | 29.2 do 29.4 | 36. \ t |
302270001 | 302270002 | M27 | 34 | 1.5 | 30 | 33.2 do 33.4 | 36. \ t |
UNC & UNF serija | ||||||||
Carbon Steel Part No. | Br. | Internal Thread | External Thread | Length | Smernice za primanje prečnika otvora | Minimalna dubina bušotine za slijepe rupe | ||
UNC Unified Coarse Navoj ANSI B1.1 / BS 1580 Unutarnji navoj | Carbon steel 1215 \ t | SUS303 | A | E | P | B | L | T |
302604001 | 302604002 | 4 -40 | 5 | 0.5 | 6 | 4.5 do 4.8 | 8 | |
302606001 | 302606002 | 6 - 32 | 6 | 0.75 | 8 | 5.6 do 5.7 | 10 | |
302608001 | 302608002 | 8 - 32 | 6.5 | 0.75 | 8 | 6.1 do 6.2 | 10 | |
302610001 | 302610002 | 10 - 32 | 8 | 1 | 10 | 7.5 do 7.6 | 13 | |
302625001 | 302625002 | 1/4 - 20 | 10 | 1.5 | 14 | 9.2 do 9.4 | 17 | |
302631001 | 302631002 | 5/16 - 18 | 12 | 1.5 | 15 | 11.2 do 11.4 | 18 | |
302637001 | 302637002 | 3/8 - 16 | 14 | 1.5 | 18 | 13.2 do 13.4 | 22 | |
302644001 | 302644002 | 7/16 - 14 | 16 | 1.5 | 22 | 15.2 do 15.4 | 26 | |
302650001 | 302650002 | 1/2 - 13 | 18 | 1.5 | 22 | 17.2 do 17.4 | 26 | |
302662001 | 302662002 | 5/8 - 11 | 20 | 1.5 | 22 | 19.2 do 19.4 | 26 | |
UNF Unified Fine Thread ANSI B1.1 / BS1580 Unutarnji navoj | 302704001 | 302704002 | 4 - 48 | 5 | 0.5 | 6 | 4.5 do 4.8 | 8 |
302706001 | 302706002 | 6 - 40 | 6 | 0.75 | 8 | 5.6 do 5.7 | 10 | |
302708001 | 302708002 | 8 - 36 | 6.5 | 0.75 | 8 | 6.1 do 6.2 | 10 | |
302710001 | 302710002 | 10 - 32 | 8 | 1 | 10 | 7.5 do 7.6 | 13 | |
302725001 | 302725002 | 1/4 - 28 | 10 | 1.5 | 14 | 9.2 do 9.4 | 17 | |
302731001 | 302731002 | 5/16 - 24 | 12 | 1.5 | 15 | 11.2 do 11.4 | 18 | |
302737001 | 302737002 | 3/8 - 24 | 14 | 1.5 | 18 | 13.2 do 13.4 | 22 | |
302744001 | 302744002 | 7/16 - 20 | 16 | 1.5 | 22 | 15.2 do 15.4 | 26 | |
302750001 | 302750002 | 1/2 - 20 | 18 | 1.5 | 22 | 17.2 do 17.4 | 26 | |
302762001 | 302762002 | 5/8 - 18 | 20 | 1.5 | 22 | 19.2 do 19.4 | 2 | |
Ručni proces umetanja:
Ručna instalacija s pogonskim alatom i slavinom:

Hitna instalacija pomoću vijka i matice:

Ručno umetanje se obično izvodi pomoću ručnog alata preko unutrašnjeg navoja ili u slučaju alata pomoću šesterokutne utičnice. Naravno, možete koristiti i alate za ručno sklapanje. Ako to učinite, mora se osigurati da se rotirajuća čahura nalazi u odgovarajućem ispravnom položaju.
Slika 11.1 / 12.1
Navoj umetka, geometrija rezanja (prorez ili provrt) mora biti usmjeren prema dolje. Pri tome treba obratiti pažnju na to da vijak s maticom ne bude okrenut u smjeru geometrije rezanja nakon zaključavanja kontra maticom, kao i strugotine inače se ne ispuštaju.
Slika 11.2 / 12.2
Uvrnite umetak do pribl. 0,1-0,2 mm ispod površine obradka (prilikom privremenog sklapanja pomoću vijka i matice, umetak treba obraditi do ravnog). Vertikalni sklop mora biti osiguran.
Slika 11.3 / 12.3
Otpustite kontra-maticu, jer bi u suprotnom umetak mogao biti odvrnut. Zatim zavrnite vijak / alat za uvrtanje.
FQA
P1: Da li ste trgovačko preduzeće ili proizvođač?
A1: Mi smo proizvođač od 2004 u Shen Zhen, Kina.
Q2: Imate li zaliha za predmete?
A2: Da, većina artikala je na skladištu za dostavu.
P3: Koliko dugo traje vrijeme isporuke?
A3: Općenito je 1 dan za zaliha stavku, 10-15 dana za prilagođene stavke ili velike količine preko 50000 kom.
P4: Možete li dati uzorke? je li to besplatno ili dodatno?
A4: Da, možemo ponuditi uzorak za besplatnu naplatu, ali ne plaćamo troškove prijevoza.
Q5. Šta je sa uslovima plaćanja?
A5: Općenito 100% T / T unaprijed prije pošiljke ili masovne proizvodnje, a mi također možemo konzultirati prema vašem zahtjevu.
P6: Koja je tvoja prednost?
A6: konkurentne cijene, brza dostava i visok kvalitet. odgovorno orijentisani zaposleni stroga tolerancija, glatka završnica i dugotrajni učinak.
P7: Koja je vaša oprema za obradu?
A7: CNC glodalice, CNC tokarilice, mašine za štancanje, brusilice, mašine za automatske tokarilice, mašine za točenje, mašine za brušenje, mašine za šivenje, mašine za sečenje i tako dalje.
Q8: Kako garantovati kvalitet industrijskih dijelova?
A8: Već 15 godina smo u polju za pričvršćivanje sa punim iskustvom. Postoji 5 provjera u cijeloj obradi, imamo IQC (ulazna kontrola kvalitete), IPQCS (u odjeljku kontrole kvalitete), FQC (završna kontrola kvalitete) i OQC (out-tekuća kontrola kvalitete) za kontrolu svakog procesa industrijskih dijelova proizvodnja.
Popularne oznake: Self Tapping vijci umetnuti za metale i plastiku, dobavljači Kina, proizvođači, tvornica, kupiti, na lageru, u Kini


